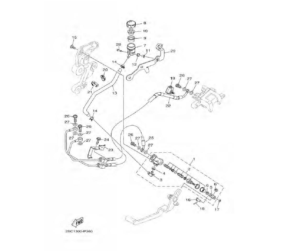
REAR MASTER CYLINDER
0

Go to the brand
1693220 1693221 1693222 1693223 1693224