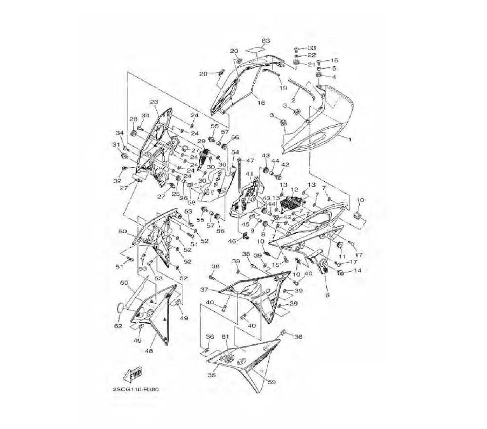
COWLING
0

Go to the brand
1693244 1693245 1693246 1693247 1693248