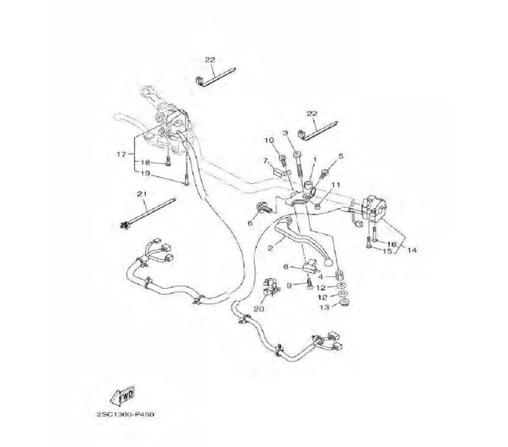
HANDLE SWITCH & LEVER
0

Go to the brand
1693595 1693596