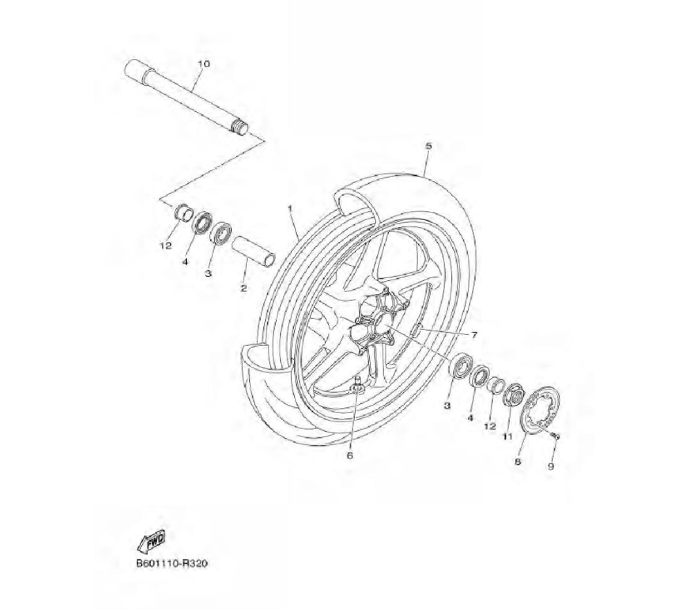
FRONT WHEEL
0

Go to the brand
1701030 1701031 1701032