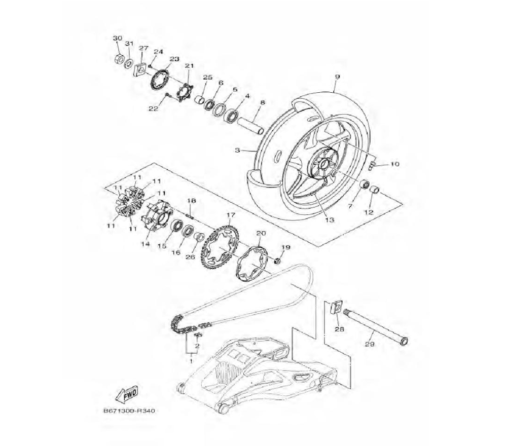
REAR WHEEL
0

Go to the brand
1701034