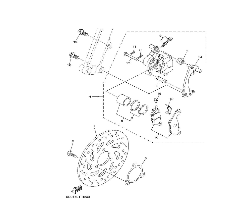
FRONT BRAKE CALIPER
0

Go to the brand
1706445 1706447 1706449 1706451 1706453 1706455 1706457 1706459 1706461 1706463 1706465 1706467 1706469 1706471 1706473 1706475 1706477 1706478