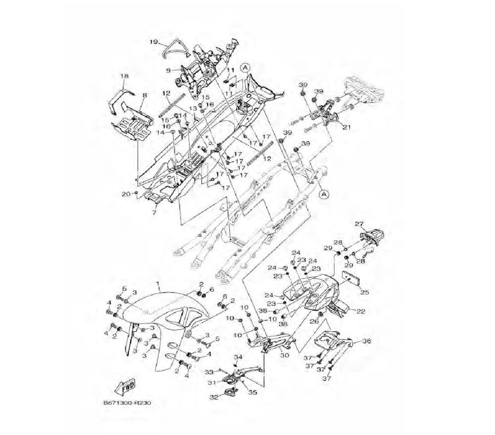
FENDER
0

Go to the brand
1700998 1700999 1701000 1701001