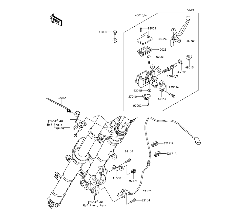
Front Master Cylinder / แม่ปั๊มเบรคหน้า
0

Go to the brand
191522 191523 191524 191525 191526 191527 191528 191529 191530 191531 191532 191533 191534 191535 191536 191537 191538 191539 191540 191541 191542 191543 191544