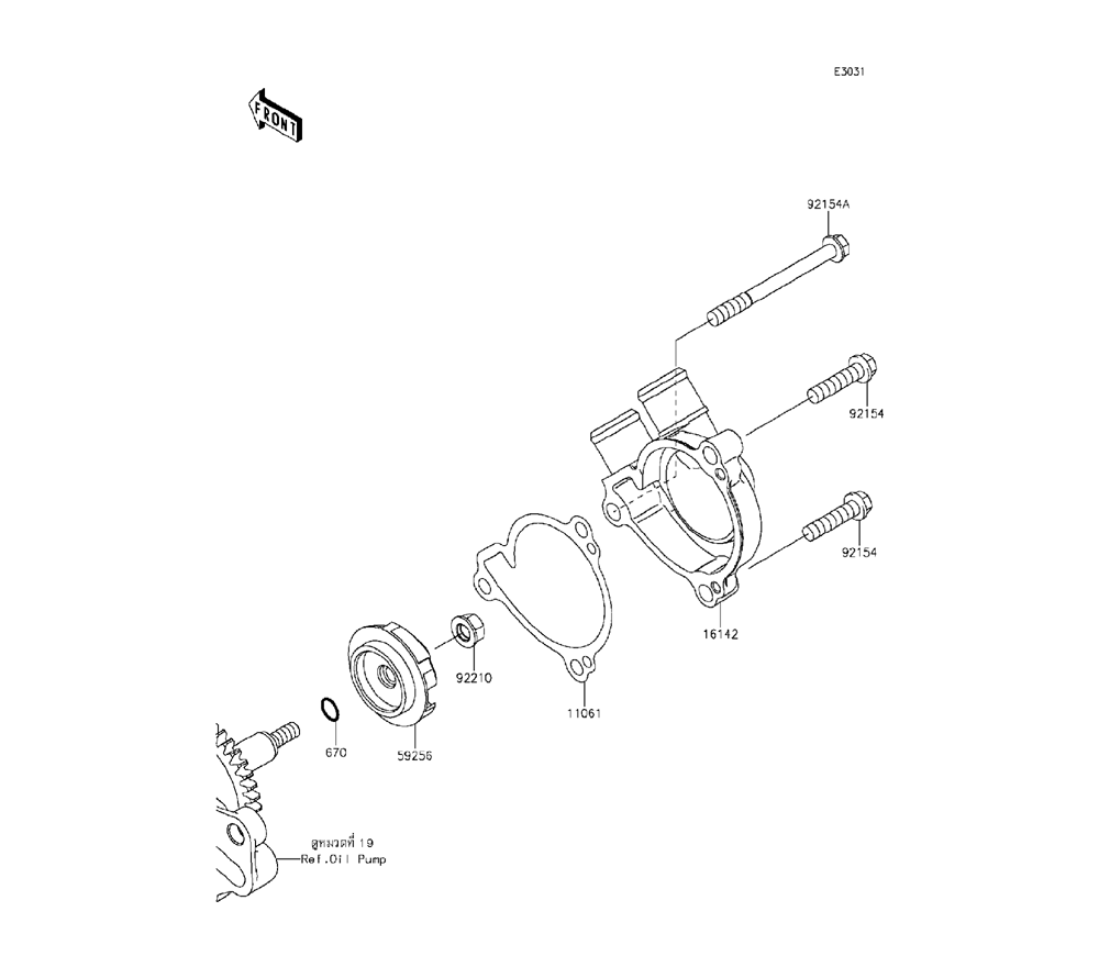
Water Pump / ชุดปั๊มน้ำ
0

Go to the brand
263104 263105 263106 263107 263108 263109 263110 263111