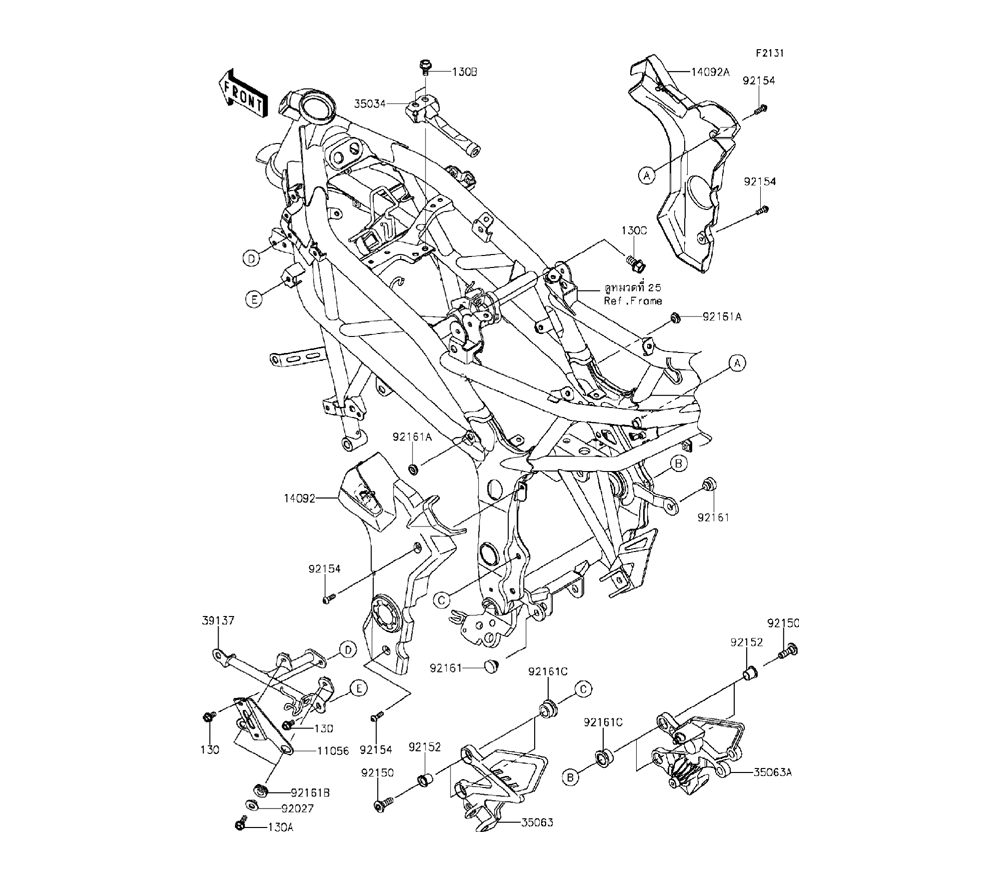
Frame Fittings / ส่วนยึดอุปกรณ์ต่างๆ
0

Go to the brand
263805 263806 263807 263808 263809 263810 263811 263812 263813 263814 263815 263816 263817 263818 263819 263820 263821 263822 263823 263824 263825 263826 263827 263828 263829 263830 263831 263832