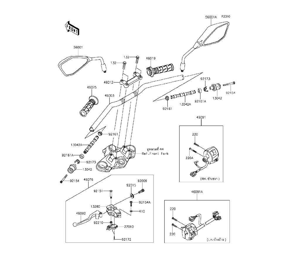
Handlebar / แฮนเดิ้ลบาร์
0

Go to the brand
266322 266323 266324 266325 266326 266327 266328 266329 266330 266331 266332 266333 266334 266335 266336 266337 266338 266339 266340 266341 266342 266343 266344 266345 266346 266347 266348 266349 266350 266351 266352 266353 266354 266355 266356 266357