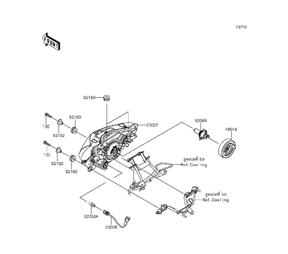
Headlight(s) / ไฟหน้า
0

Go to the brand
267683 267684 267685 267686 267687 267688 267689 267690 267691 267692 267693 267694