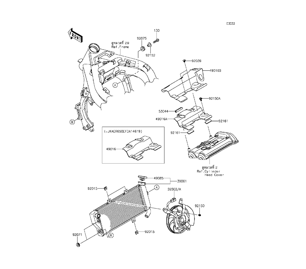
Radiator / หม้อน้ำ
0

Go to the brand
305051 305052 305053 305054 305055 305056 305057 305058 305059 305060 305061 305062 305063 305064 305065 305066 305067 305068 305069