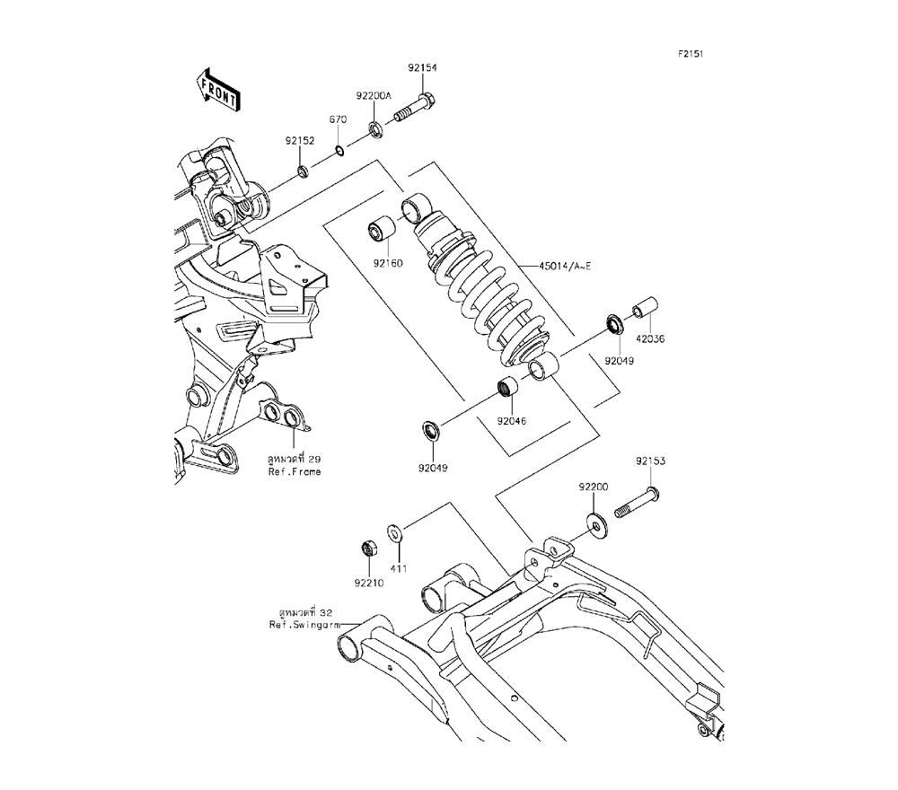
Suspension/Shock Absorber / ส่วนยึดโช้คอัพหลัง
0

Go to the brand
305941 305942 305943 305944 305945 305946 305947 305948 305949 305950 305951 305952 305953 305954 305955