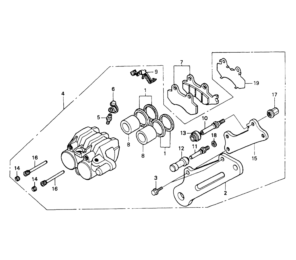
Rear Brake Caliper / ชุดดิสก์เบรคหลัง
0

Go to the brand
652765 652766 652767 652768 652769 652770 652771 652772 652773 652774 652775 652776 652777 652778 652779 652780 652781 652782 652783