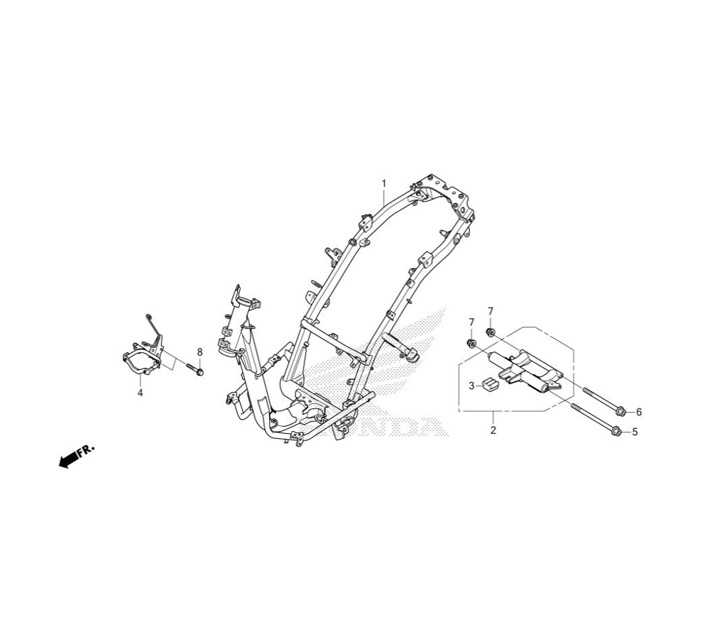
Frame Body / โครงตัวถัง
0

Go to the brand
871053 871054 871055 871056 871057 871058 871059 871060 871061