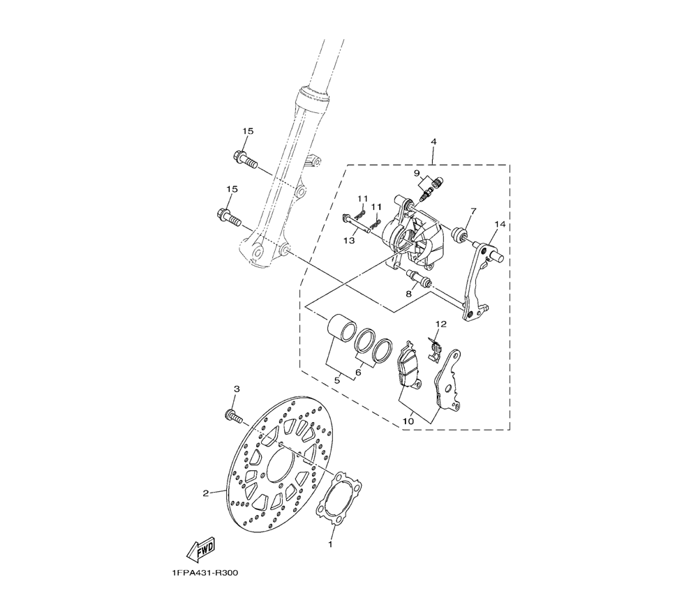
FRONT BRAKE CALIPER 2 (1FPD)
0

Go to the brand
1694546 1694547 1694548 1694549 1694550 1694551 1694552 1694553 1694554 1694555 1694556 1694557 1694558 1694559 1694560 1694561 1694562