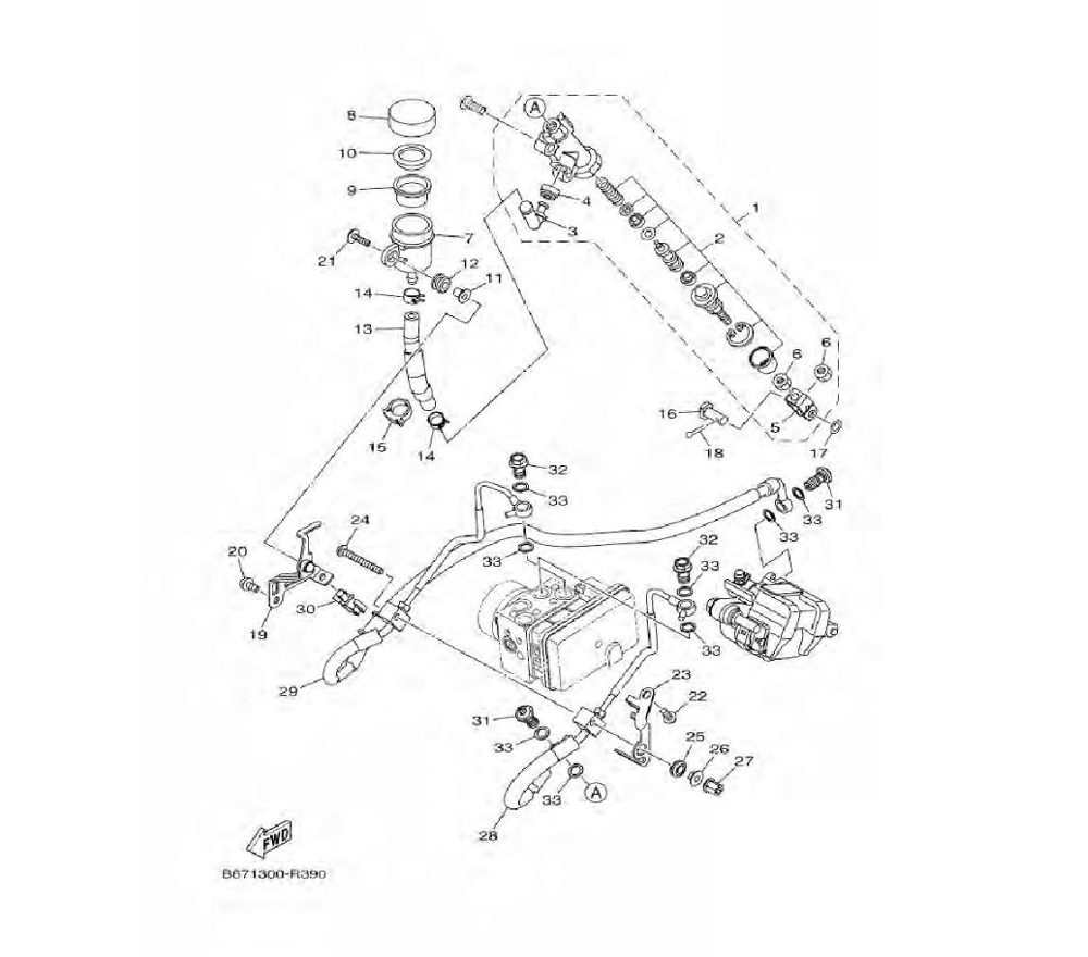
REAR MASTER CYLINDER
0

Go to the brand
1701042 1701043 1701044 1701045 1701046 1701047 1701048 1701049