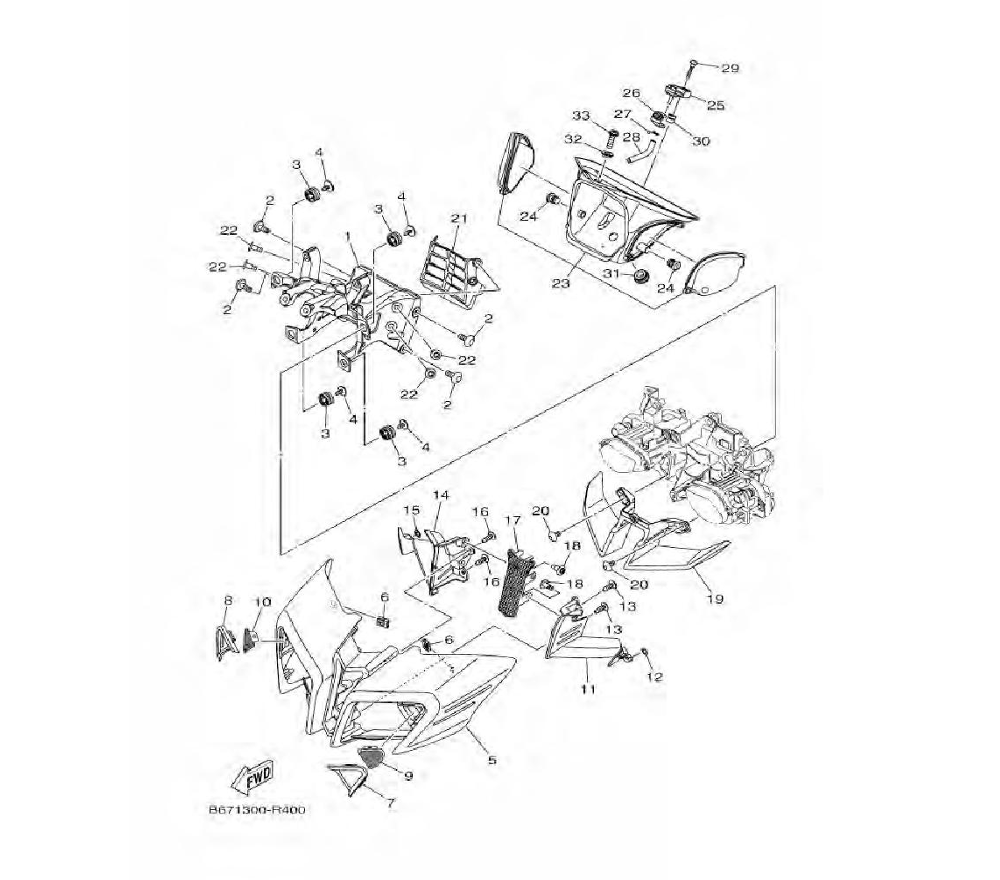
COWLING 1
0

Go to the brand
1701050 1701051 1701052