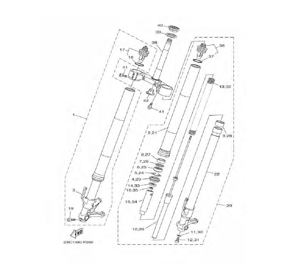
FRONT FORK
0

Go to the brand
1702925 1702926