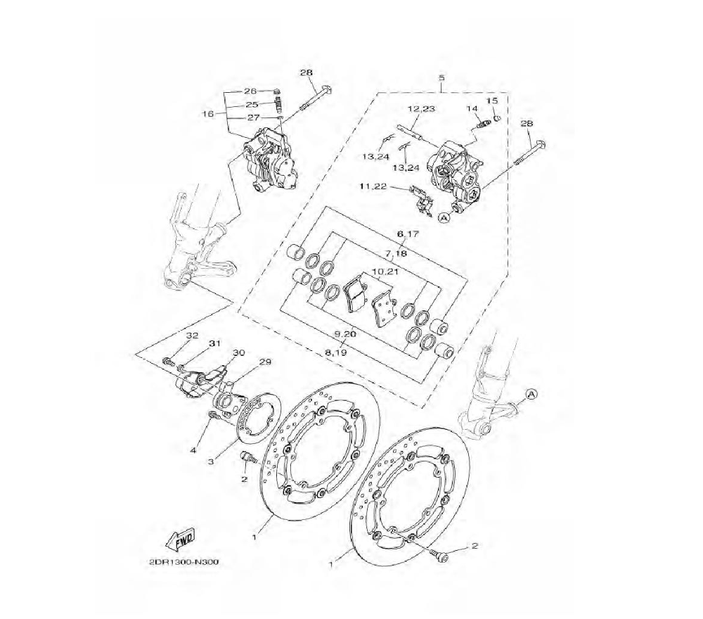
FRONT BRAKE CALIPER
0

Go to the brand
1702943 1702944 1702945