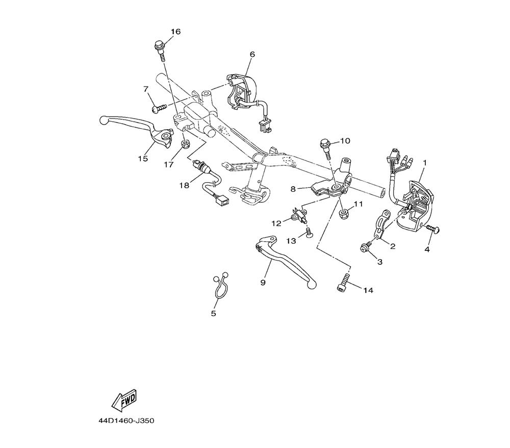
HANDLE SWITCH & LEVER (1PN7/8)
0

Go to the brand
1714061 1714062 1714063 1714064 1714065 1714066 1714067 1714068 1714069 1714070 1714071 1714072 1714073 1714074 1714075 1714076 1714077 1714078