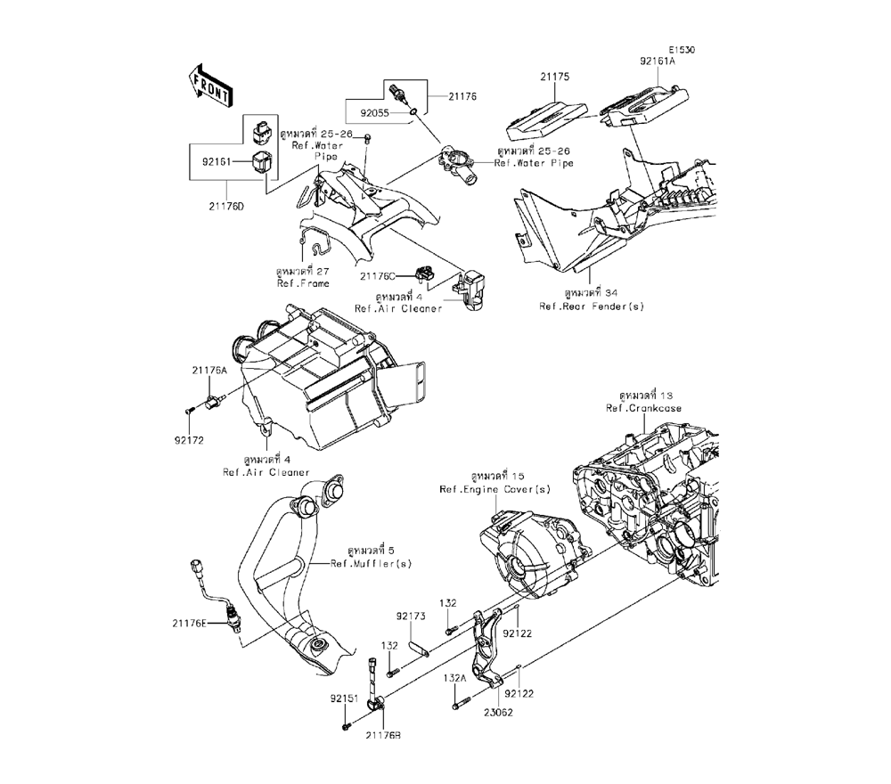
Engine Fuel Injection
0

Go to the brand
1255365 1255366 1255367 1255368 1255369 1255370 1255371 1255372 1255373 1255374 1255375 1255376 1255377 1255378 1255379 1255380 1255381 1255382 1255383