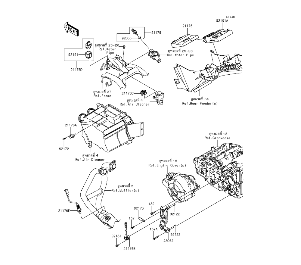
Fuel Injection / ตัววัดและส่งสัญญาณ
0
Go to the brand